Essai de dessin d'un adhésif d'ancrage époxy

Le test d'étirage est la méthode la plus efficace pour tester l'effet de la plantation de barres d'armature. L'adhésif pour barres d'armature à injection HM-500 est efficace à 100 % par l'expérience ou sur place.

2018-03-14 11:30:21

Renforcement de plaque CFRP précontrainte

La technologie de renforcement par plaques de fibre de carbone précontraintes est une technologie de renforcement actif appliquée aux ponts, aux poutres de grande portée et à d'autres éléments en flexion. Elle est populaire en raison de ses avantages : elle n'augmente pas le poids propre ni ne se décharge.

2018-03-13 16:38:24

Tissu en fibre de carbone

Compte tenu des considérations de durabilité et de sécurité, la matière première du tissu de carbone de renforcement structurel est la fibre de polyacrylonitrile (PAN). Le tissu en fibre de carbone unidirectionnel utilisé pour le renforcement structurel est facilement imprégné d'adhésif et est généralement utilisé dans le tricotage de petits câbles 12K et le tricotage de petits câbles 24K.

2018-03-13 16:15:52

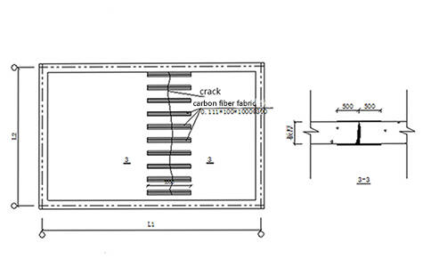
Technique de renforcement avec tissu en fibre de carbone

Le tissu en fibre de carbone unidirectionnel est utilisé pour le renforcement de la flexion des poutres et des dalles, ainsi que pour le renforcement du cisaillement des poutres, des colonnes et des murs, le béton confiné pour le renforcement sismique des colonnes, également pour la réparation des fissures et le renforcement, le renforcement et la réparation des éléments de charge dynamique.

2018-03-12 16:04:20

Structure en béton inadaptée au renforcement par fibres de carbo

Les enveloppes en polymère renforcé de fibres de carbone (PRFC) peuvent être utilisées avec succès pour le renforcement des structures en béton, le cisaillement sismique et le renforcement en flexion. Cependant, compte tenu des nombreuses caractéristiques inhérentes aux structures de renforcement en PRFC, de nombreuses structures en béton ne se prêtent pas au renforcement par la fibre de carbone. Il est donc nécessaire d'analyser leur applicabilité.

2018-03-09 15:56:31

Renforcement des plaques en polymère renforcé de fibres de carbo

1 couche de stratifié en polymère renforcé de fibres de carbone (PRFC) équivaut à 4 à 8 couches de tissu en polymère renforcé de fibres de carbone (PRFC). Faible coût, rentable par rapport à d'autres méthodes de modernisation. Léger, aucune influence sur la structure d'origine

2018-03-07 15:50:20

Le stratifié CFRP précontraint améliore la rigidité à la flexion

1. La plaque CFRP précontrainte fait que le béton (en raison de la fissure est hors service) dans la partie inférieure devient la section efficace

2018-09-17 15:46:46

Stratifié CFRP précontraint

Les propriétés de haute résistance du CFRP (polymère renforcé de fibres de carbone) peuvent être mises en jeu à l'avance, et il y aura une plus grande contrainte avant les deux forces, ce qui peut réduire efficacement voire éliminer le phénomène de retard de contrainte de la feuille CFRP et obtenir un meilleur effet de renforcement.

2018-03-05 12:19:08

Bon adhésif en fibre de carbone pour coller du tissu en carbone

L'adhésif en fibre de carbone joue un rôle très important dans le renforcement structurel, nous devons donc être prudents lors du choix.

2018-03-01 15:50:54

Adhésif d'injection de fissures HM-120L --- réparation de fissur

HM-120L Crack Injection Glue Processus de fonctionnement 1.inspection des fissures 2.traitements des fissures 3.incorporer la buse de coulée de colle 4.sceller la fissure 5.vérification de l'étanchéité 6.préparer la coulée de l'adhésif pour fissure 7.verser la colle 8.conservation 9.examen et test

2018-02-28 14:10:22
Back
Top
Close