Fibre de carbone pour le renforcement structurel

La technologie de renforcement structurel en fibre de carbone convient à divers types de structures, notamment les poutres, dalles, colonnes, fermes de toit, piliers, ponts, cylindres, coques et autres structures. La résistance du béton de base doit être d'au moins C15. De plus, certaines propriétés mécaniques de la maçonnerie en briques peuvent être renforcées par la fibre de carbone.

2018-09-20 17:19:28

Comment contrôler les fissures dans les murs de cisaillement

Comment contrôler les fissures dans les murs de refend ? Réparation des fissures dans le béton par injection d'époxy. Renforcement des murs de refend par composite PRF.

2018-09-18 17:36:08

Renfort en tissu de fibre de carbone dans la décoration intérieu

Le tissu en fibre de carbone lié (PRFC) est une nouvelle technologie de renforcement largement utilisée et offrant d'importants avantages économiques. Comparé aux autres technologies de renforcement traditionnelles, il présente les avantages d'une construction pratique, d'une grande efficacité, d'une légèreté et d'une finesse remarquables, et n'augmente pratiquement pas le poids et l'épaisseur après collage.

2018-09-18 16:55:32

Colonne en béton renforcé de tissu de fibre de carbone

Les colonnes en béton renforcé de tissu en fibre de carbone peuvent changer l'état de contrainte axiale du béton en état de contrainte tridimensionnel, et la capacité portante et la capacité de déformation du béton confiné peuvent être améliorées.

2018-09-17 18:39:05

Murs de maçonnerie renforcés avec du PRFC

Les résultats du renforcement de la structure de maçonnerie avec un tissu en fibre de carbone sont principalement affectés par la contrainte normale verticale, le rapport hauteur/largeur du mur de maçonnerie et le nombre de couches de CFRP.

2018-09-17 18:12:04

Contrôle de la qualité de la fibre de carbone dans le renforceme

Les tissus en fibre de carbone présentent les avantages d'une structure stable, d'une légèreté, d'une bonne résistance au froid, à la corrosion et à la chaleur, et sont largement utilisés dans les composants à traction pure. Ceci est essentiel à leur excellente résistance et rigidité.

2018-08-27 19:26:51

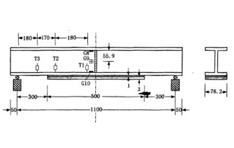
Poutres en acier renforcées avec des plaques en PRFC

Ces dernières années, les matériaux PRF, et notamment les PRFC, ont été largement utilisés en génie civil. Bien que moins répandus que les structures en béton armé, les structures en acier renforcé PRFC ont également commencé à être utilisées pour la construction de ponts et de logements.

2018-08-21 16:34:47

Bridges strengthened by Prestressed FRP laminate

Le système de renforcement stratifié en PRFC précontraint se compose de trois parties : l'ancrage, le stratifié en fibre de carbone et l'adhésif pour stratifié en fibre de carbone.

2018-08-13 16:32:09

Renforcement des éléments porteurs du pont

Renforcement des éléments porteurs sur la partie supérieure du pont

2018-07-31 16:42:07

Rénovation des membres du RC par habillage en fibre de carbone

Dans ce projet, la méthode d'acier enveloppé extérieurement est adoptée et la méthode d'enveloppe renforcée de fibres de carbone liées extérieurement est adoptée pour renforcer et renforcer différentes pièces et types de composants.

2018-07-26 16:13:15
Back
Top
Close